




Product Introduction
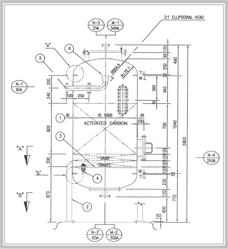
The raw water for industrial water treatment usually uses urban tap water, which contains a certain amount of residual impurities such as small particles and suspended solids. The presence of these ... The raw water for industrial water treatment usually uses urban tap water, which contains a certain amount of residual impurities such as small particles and suspended solids. The presence of these impurities can pose a hazard to the main equipment of water treatment, such as electrodialysis, reverse osmosis, ion exchange equipment, etc. When raw water passes through an activated carbon filter, impurities in the raw water are adsorbed and retained due to the contact flocculation, adsorption, and retention effects of the filter media (quartz sand, activated carbon, etc.) in the activated carbon filter. Through the filtration of activated carbon filters, the turbidity and residual chlorine of raw water can be further reduced


PREVIOUS:MULTI-MEDIA FILTER
NEXT:FEROX FILTER